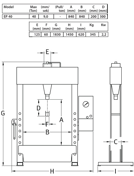
EP 40
Пресс электрогидравлический 40 т.
Вот уже более 67 лет Compac производит высококачественные гидравлические изделия. Гланой целью опытного инженерного персонала Compac является обеспечение отличного качества с упором на качество производимой продукции.
3 года заводской гарантии Compac установил стандарт в отрасли, став первым производителем, предлагающим полную 3-летнюю гарантию. Ни один другой производитель не дает более длительную гарантию. Причиной, по которой надежность Compac стала стандартом в отрасли, является уникальная комбинация отличных исходных материалов, ориентированного на качество, персонала, уникальной японской системы управления качеством.

Преимущества EP40:
Возможность перемещения циллиндра
Прочное покрытие из хрома и Сверхдлинный ход штока - 300 mm
Быстрое и безопастное перемещение стола пресса по высоте с использованием тормозного устройства
Шарнирный 90-градусный насосный агрегат обеспечивает легкое вставление длинных заготовок
Многократно регулируемый клапан давления
Легко читаемый манометр давления
Технические характеристики EP 40:

Compac, Дания
|