HP 100
Пресс пневмогидравлический 100 т.
Вот уже более 67 лет Compac производит высококачественные гидравлические изделия. Гланой целью опытного инженерного персонала Compac является обеспечение отличного качества с упором на качество производимой продукции.
3 года заводской гарантии Compac установил стандарт в отрасли, став первым производителем, предлагающим полную 3-летнюю гарантию. Ни один другой производитель не дает более длительную гарантию. Причиной, по которой надежность Compac стала стандартом в отрасли, является уникальная комбинация отличных исходных материалов, ориентированного на качество, персонала, уникальной японской системы управления качеством.
Гидравлические прессы "Compac" это высокая надежность в сочитании с удобством и безопасностью работы.
Благодаря пневматическому приводу, точность позиционирования деталей поражает, такой точности нет ни у кого:

Преимущества HP 100:
-
Возможность перемещения циллиндра.
-
Прочное покрытие из хрома и Сверхдлинный ход штока - 300 mm.
-
Быстрое и безопастное перемещение стола пресса по высоте с использованием тормозного устройства.
-
Ручной привод двухскоростной помпы для быстрого перемещения штока в рабочую зону.
-
Быстрое возвращение воздуха. Необходима воздушная магистраль.
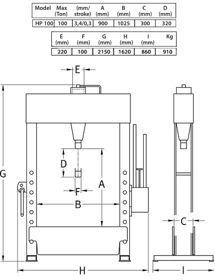
Технические характеристики и размеры HP 100:


COMPAC, Дания.
|